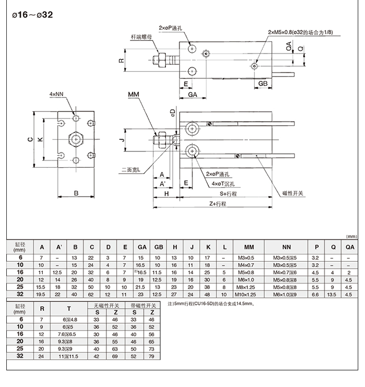
产品分类: 自由安装气缸
产品简介:乐清市星驰气动元件有限公司是一家集气动元件,执行元件 (气缸)、空气处理元件、真空设备、辅助气动元件等于一体的专业生产销售公司,主要生产SMC型,亚德客型,费斯托型导杆气缸、自由安装气缸。
MD
MDD
MDJ
MTD